Hallo allemaal,
Ik ben Jarnick en samen met een kameraad (Machiel) zijn we sinds kort trotse eigenaars van onze eerste DAF YA 126. We zijn allebei van jongs af aan geïnteresseerd geweest in oude legervoertuigen. Technisch gezien zijn we nog nieuw in de wereld van deze voertuigen, dus we leren al doende. Het is een rijdend project: bij mooi weer maken we korte ritten met de kinderen, en in de winter willen we de wagen grondig aanpakken qua restauratie en onderhoud.
We zijn sinds kort ook lid geworden van de club en hopen in de toekomst ook langs evenementen te gaan.
De wagen is redelijk compleet, maar is toe aan een grondige aanpak. Ons doel is om de wagen zo origineel mogelijk te houden, maar technisch in goede conditie te krijgen.
Staat bij aanschaf:
• Motor: Naar onze mening loopt hij goed.
• Versnellingsbak + tussenbak: schakelt goed, olie wordt nog ververst en gecontroleerd op vervuiling
• Aandrijving: stof hoezen voor de aandrijfassen gaan we nog vervangen
• Remmen: Hebben we al afgesteld maar vinden het lastig te bepalen of die nu remt zoals een Daf hoort te remmen.
• Elektrisch: bedrading zwaar aangetast vooral de bedrading die naar achterloopt. Dit gaan we zo veel mogelijk herstellen en nieuw maken.
• Chassis: op het oog goed, 1 plek moeten we lassen.
• Plaatwerk: diverse plekken met roest.
Werkzaamheden die op de planning staan:
• Motor: Olie verversen (20W50)
• Carburateur: Schoonmaken, reviseren en afstellen.
• Koelsysteem: Rubberen slangen vervangen
• Electra: Vernieuwing bedrading
• Plaatwerk: Bij rijders kant hebben we een andere deur voor. En inmiddels heb we ook een set andere gondels. En uiteraard het geheel opnieuw in de lak zetten (RAL 6014).
• Chassis: Stoot Rubber vering/draagarm vervangen.
Wensenlijst:
• Banden
• Huif laadbak
Het lijkt ons leuk om hier ons project voortgang te delen.
Vragen:
Weet iemand waar we het juiste rubber profiel kunnen bestellen voor tussen de gondels en het spatbord voorzijde?
We zijn ook nog opzoek naar de rubbers voor de voorruiten.
Ik zal hier updates plaatsen van de voortgang, inclusief foto's,
Als iemand tips heeft altijd welkom
Groet,
Machiel en Jarnick
Technische restauratie DAF YA 126 (PM-25-45)
Moderator: ruben
Re: Technische restauratie DAF YA 126 (PM-25-45)
welkom op het forum en altijd leuk om nieuwe projecten te volgen.
Veel succes in elk geval en we zien de vorderingen graag tegemoet.Voor vragen kan je natuurlijk altijd hier terrecht, en anders eventueel in de techniek app van de club.
Veel succes in elk geval en we zien de vorderingen graag tegemoet.Voor vragen kan je natuurlijk altijd hier terrecht, en anders eventueel in de techniek app van de club.
Re: Technische restauratie DAF YA 126 (PM-25-45)
Goedemiddag,
Wij zijn bezig met de Electra aan het herstellen.
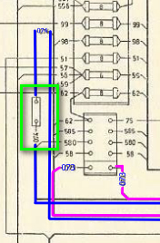
kan iemand mij vertellen wat het groen omkaderde is?
Wij zijn bezig met de Electra aan het herstellen.
kan iemand mij vertellen wat het groen omkaderde is?
-
Dikkie
- Site Admin
- Berichten: 1471
- Lid geworden op: ma 23 jun 2008 21:59
- Locatie: Den Helder
- Contacteer:
Re: Technische restauratie DAF YA 126 (PM-25-45)
Op de eerste en laatste foto, de doorverbindingen in de lijn, zijn zwevende kroonstenen. Puur voor de verbinding.
Middelste foto is volgens mij een isolator, ben ik niet helemaal zeker van. Maar die vertakt in ieder geval de voeding naar de radio aansluiting in de bak.
Middelste foto is volgens mij een isolator, ben ik niet helemaal zeker van. Maar die vertakt in ieder geval de voeding naar de radio aansluiting in de bak.
-
B. van der Veer
- Clublid
- Berichten: 681
- Lid geworden op: vr 09 sep 2011 21:59
- Locatie: Huizen NH
Re: Technische restauratie DAF YA 126 (PM-25-45)
Als je net achter het rechter steunwiel onder de auto duikt zie je op de eerste balk van de bak een verbindingspunt zitten. hier komen een pluskabel vanaf de massasleutel, (als hij er nog is) de kabel die het radio-stroompunt in de bak verbindt en de doorgaande kabel naar de achterkant van de bak.
Pas op want het rubber van de isolater was bij mijn auto helemaal gaar.
Thomas van het Magazijn of Ronald Schaufeli heeft er nog wel eentje liggen.
Succes
Bert van der Veer.
Pas op want het rubber van de isolater was bij mijn auto helemaal gaar.
Thomas van het Magazijn of Ronald Schaufeli heeft er nog wel eentje liggen.
Succes
Bert van der Veer.
ik rijd ya126
ik heb geen haast
ik heb geen haast
Re: Technische restauratie DAF YA 126 (PM-25-45)
Heren,
Bedankt voor de info en tips!
We gaan goed kijken of de isolator nog goed is.
Bedankt voor de info en tips!
We gaan goed kijken of de isolator nog goed is.
Re: Technische restauratie DAF YA 126 (PM-25-45)
Goedemorgen allemaal,
Even een korte update:
We hebben inmiddels bijna alle verlichting weer werkend gekregen. Alleen de remlichten geven nog geen reactie. De bedrading was zó zwaar aangetast dat we flink wat hebben moeten vernieuwen, maar het meeste functioneert nu weer zoals het hoort.
Wat betreft de (NATO-)aansluitingen bij de bijrijderskant en in de laadbak:
De isolator bleek gelukkig nog in redelijk goede staat. De voedingskabel was echter niet aangesloten op de accu – dit hebben we inmiddels netjes hersteld. Resultaat: op beide aansluitingen is nu weer spanning aanwezig.
Ook hebben we de stootrubbers aan de achterkant gemonteerd.
We willen graag de vacuümslangen van de rembekrachtiging (Hydrovac) vervangen. Deze vertonen veel droogtescheurtjes en zijn aan vervanging toe.
Weet iemand waar we deze slangen kunnen bestellen of kopen?
Zaterdag staat er een lange rit op de planning.
Wat we in ieder geval al bij ons hebben: een kist met handgereedschap, een krik en een set zekeringen.
Heeft iemand nog aanvullende tips voor wat handig is om mee te nemen, voor het geval er onderweg iets voorvalt?
Alvast bedankt voor het meedenken!
Even een korte update:
We hebben inmiddels bijna alle verlichting weer werkend gekregen. Alleen de remlichten geven nog geen reactie. De bedrading was zó zwaar aangetast dat we flink wat hebben moeten vernieuwen, maar het meeste functioneert nu weer zoals het hoort.
Wat betreft de (NATO-)aansluitingen bij de bijrijderskant en in de laadbak:
De isolator bleek gelukkig nog in redelijk goede staat. De voedingskabel was echter niet aangesloten op de accu – dit hebben we inmiddels netjes hersteld. Resultaat: op beide aansluitingen is nu weer spanning aanwezig.
Ook hebben we de stootrubbers aan de achterkant gemonteerd.
We willen graag de vacuümslangen van de rembekrachtiging (Hydrovac) vervangen. Deze vertonen veel droogtescheurtjes en zijn aan vervanging toe.
Weet iemand waar we deze slangen kunnen bestellen of kopen?
Zaterdag staat er een lange rit op de planning.
Wat we in ieder geval al bij ons hebben: een kist met handgereedschap, een krik en een set zekeringen.
Heeft iemand nog aanvullende tips voor wat handig is om mee te nemen, voor het geval er onderweg iets voorvalt?
Alvast bedankt voor het meedenken!
Re: Technische restauratie DAF YA 126 (PM-25-45)
de slangen voor de rembekrachtiger gebruik ik standaard gewapende oliebestendige slang,diameterga je wel uit komen denk ik. Ik haal het bij mijn standaard leverancier of een landbouw groothandel in de buurt. Het einge waar je dus naar moet kijken is dat ze stevig genoeg zijn dat ze niet dichtgezogen kunnen worden.
-
Dikkie
- Site Admin
- Berichten: 1471
- Lid geworden op: ma 23 jun 2008 21:59
- Locatie: Den Helder
- Contacteer:
Re: Technische restauratie DAF YA 126 (PM-25-45)
Remlichten: controleer ook even de drukschakelaar, als je aan de linkerkant van de auto er onder kruip kom je ze tegen. Er zitten er 2: 1 voor de 6V aansluiting, 1 voor regulier 24V. Als je de draden van de schakelaar af pakt en tegen elkaar houd (of gewoon even doorlust) weet je welke je moet hebben. En je weet meteen of die schakelaar stuk is (gebeurt vaker) en dat de rest van het circuit werkt.
Meenemen.. is ieders eigen ding. Ik heb standaard een setje remschoenen, wielremcilinder, brandstofpomp, carburateur en ontsteking in de voorraad mee. De regel bij mij is dat als ik het niet meeneem, het geheid stuk gaat

Meenemen.. is ieders eigen ding. Ik heb standaard een setje remschoenen, wielremcilinder, brandstofpomp, carburateur en ontsteking in de voorraad mee. De regel bij mij is dat als ik het niet meeneem, het geheid stuk gaat
Re: Technische restauratie DAF YA 126 (PM-25-45)
Goedemiddag,
Misschien ten overvloedde gezien de leeftijd van dit bericht, maar je vroeg ook over de band tussen de voorspatborden. Ik heb deze hier besteld;
https://www.paruzzi.com/
https://www.paruzzi.com/nl/volkswagen/b ... nken/3981/
Zijn dezelfde als bij bijv. Een kever
Gr,
Patrick
Misschien ten overvloedde gezien de leeftijd van dit bericht, maar je vroeg ook over de band tussen de voorspatborden. Ik heb deze hier besteld;
https://www.paruzzi.com/
https://www.paruzzi.com/nl/volkswagen/b ... nken/3981/
Zijn dezelfde als bij bijv. Een kever
Gr,
Patrick
-
Hoppa69
- Sir Spam-a-lot :-)
- Berichten: 9104
- Lid geworden op: zo 19 nov 2006 00:26
- Locatie: Achthuizen
Re: Technische restauratie DAF YA 126 (PM-25-45)
Beter een laat bericht als helemaal nooit meer.
O wat ben ik maf.
Ik hou van mijn daf.
Ik hou van mijn daf.
Wie is er online
Gebruikers op dit forum: Geen geregistreerde gebruikers en 0 gasten